江蘇:吸附VOCs的廢活性炭,再生后僅可繼續用于VOCs治理!
2025-05-22
0次
中國大氣網了解到,江蘇省廳發布的《廢活性炭綜合利用污染控制技術規范》(DB32/T 5088-2025)已于2025年4月25日起正式實施。該標準是全國首個廢活性炭綜合利用行業污染控制標準,規定了VOCs治理過程(不包括餐飲行業油煙治理過程)產生的廢活性炭使用熱再生技術綜合利用過程的污染控制,包括入廠和貯存要求,綜合利用過程和再生活性炭污染控制的技術要求,以及企業運行管理要求。
![37_2_1747272246[1].png 37_2_1747272246[1].png](/uploadfile/202505/e27d8e8e4392e86.png)
南京市生態環境保護科學研究院表示,該標準是全國首個廢活性炭綜合利用行業污染控制標準,規定了VOCs治理過程(不包括餐飲行業油煙治理過程)產生的廢活性炭使用熱再生技術綜合利用過程的污染控制,包括入廠和貯存要求,綜合利用過程和再生活性炭污染控制的技術要求,以及企業運行管理要求。
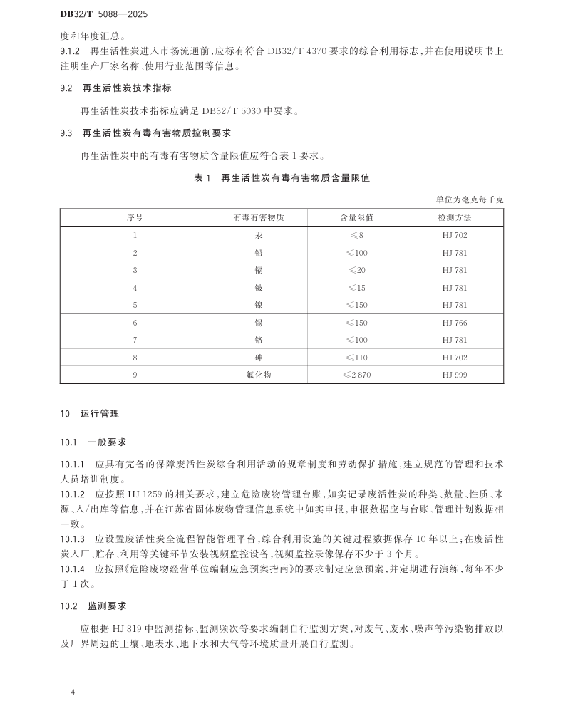
標準作為重點行業危險廢物綜合利用污染控制“1+N”標準體系之一,立足江蘇省情,堅持問題導向,重點明確了入廠要求,創新提出企業應配備模擬再生實驗設備并對入廠廢活性炭進行模擬再生實驗;提出了熱再生工藝要求,保證再生效果的同時確保VOCs基本去除并防范安全風險;規定了再生活性炭中有毒物質汞、鉛、鎘、鈹、鎳、錫、砷、鉻及氟化物等九項指標的限值要求;明確了再生活性炭用途,嚴格限制只能用于VOCs治理過程。
以下為正文:
![37_3_1747272246[1].png 37_3_1747272246[1].png](/uploadfile/202505/29da066ec8b825c.png)
![37_4_1747272246[1].png 37_4_1747272246[1].png](/uploadfile/202505/0e31428a55b0f69.png)
![37_5_1747272246[1].png 37_5_1747272246[1].png](/uploadfile/202505/a47863303eeba24.png)
![37_6_1747272246[1].png 37_6_1747272246[1].png](/uploadfile/202505/987952fbcaaa046.png)
![37_7_1747272246[1].png 37_7_1747272246[1].png](/uploadfile/202505/f5e72c24ee20f.png)
![37_8_1747272246[1].png 37_8_1747272246[1].png](/uploadfile/202505/3e47eb752549bf4.png)
![37_9_1747272246[1].png 37_9_1747272246[1].png](/uploadfile/202505/d64e83f276b94cf.png)
![37_10_1747272246[1].png 37_10_1747272246[1].png](/uploadfile/202505/683a8e5005817e9.png)
![37_11_1747272246[1].png 37_11_1747272246[1].png](/uploadfile/202505/77cb265ad93417a.png)
來源:江蘇生態環境廳
編輯:李丹
如有侵權請聯系刪除